Reparación de Audio Logitech Z506, No enciende

Toca la reparación de un sistema de Audio multimedia de marca Logitech Z506 con daño. Este equipo no enciende luego de un fallo eléctrico.

Se trata de un sistema de audio que emplea un amplificador de audio de potencia, con salida de 5.1 canales. Se controla el audio por medio de un control que viene dentro de una de las bocinas. Viene con potenciómetro, botón de encendido y un conector de 9 pines tipo DB9 como los de puerto serie.

Pues resulta que luego de una tormenta eléctrica o a saber que diantres, éste equipo se daño y no encendió de nuevo. Luego de pruebas básicas y mediciones en componentes, se detectó daño en fuente de poder la cual es muy precaria y falta de protección. Emplea una fuente de poder regulable estabilizada pero con escaso margen de operación estable pero con componentes muy malos. Para referencia, la fuente de poder entrega 16.49 voltios DC a 2.02 amperios.

Se reparan los siguientes componentes dañados:
IC9 es un regulador de voltaje 78L12 con encapsulado TO92
IC 301  es PT2325-D = un controlador de volumen digital de 42 pasos de 6 canales.
IC5 IC7 STA540 = amplificador de potencia de audio de 4 canales de 13W cada uno
IC1, IC2, IC3, IC4, IC401, IC403, IC404 = 4558
IC402 = LM358

Luego de reparar la fuente de poder y fallar 2 veces, he sustituido esa fuente por una compatible con una de laptop de 19 voltios y de 3 amperios con unos 45W de disipación, dado que este amplificador contiene componentes regulables y de alto desempeño.

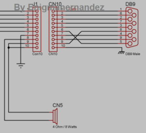
Por último se realiza una reparación muy avanzada en la bocina de control ya que el cableado sufrió daño severo. Se realizó diseño y diagrama empleando Proteus, luego de diseñar la placa se reparó con componentes similares.

Se adjuntan las imágenes y de los diagramas (por cuestiones de diseño privado solo compartire los diagramas de la bocina monitor) que he realizado desde Proteus para reparación de este equipo de sonido, el cual quedó muy bien.

Nota: Los amplificadores STA540 trabajan según la hoja de datos del fabricante, un máximo de 24 voltios, así que se puede emplear sin problema una fuente de poder de laptop pequeña.

Pueden ver la galería.

Be the first to comment

Leave a Reply